Baumat Logo
Zum Shop
Merklisten anzeigen
  1. Gesamtsortiment
  2. >
  3. Betonwaren
  4. >
  5. Kanalisation
  6. >
  7. Betonrohre
  8. >
  9. CENTUB
1 / 3

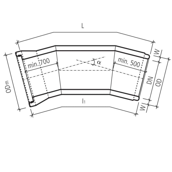
CENTUB-Röser Segmentkrümm. DN500 L2500mm, 3 Segmente, bew. GLM-SP, m. integr. Di

Die Segmentkrümmer sind bewehrt und in verschiedenen Ausführungen erhältlich. Sie werden mit Glockenmuffe und integrierter Dichtung geliefert.

Spezifikationen

  • Wandstärke (mm): 85
  • Marke: Creabeton
  • Aussen-Ø (mm) : 650
  • Länge1 (mm): 2590
  • Länge (mm): 2500
  • Typ: AZ
  • Nennweite (mm): 500
  • Anwendungsbereich: Kanalisation
  • Bestellnummer: 120090
  • Gewicht (kg): 1000

Fehler entdeckt? Wir freuen uns über Ihre Rückmeldung.

CENTUB-Röser Segmentkrümm. DN500 L2500mm, 3 Segmente, bew. GLM-SP, m. integr. Di
Artikelnr.
10149395
Bezeichnung
CENTUB-Röser Segmentkrümm. DN500 L2500mm, 3 Segmente, bew. GLM-SP, m. integr. Di
Preis pro
1 Stück
Brutto
Verfügbarkeit
Anzahl